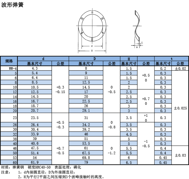
落合WW系列波形弹簧

  • 所属分类:日本OCHIAI产品

  • 点击次数:
  • 发布日期:2018/05/30
  • 在线询价
  • 产品规格
  • 产品介绍
  • 资料下载

本文网址:http://www.jaina-hz.com/product/586.html

关键词:波形弹簧标准,波形弹簧规格,日本进口波簧

上一篇:落合BWW波形弹簧
下一篇:没有了

联系我们

电话:0571-87049863    13758109587

传真:0571-87049863

邮箱:xl-ch@jaina-hz.com

网址:www.jaina-hz.com  

地址:浙江省杭州市余杭区临平和合财富中心1-1718室


 富士精密防松螺母

扫一扫关注我们

  • 在线客服
  • 在线客服
  • 联系电话
    13858117452
  • 在线留言
  • 在线咨询